產品說明

本系列產品為低壓熔斷體,適用于交流系統,用于低壓成套設備的配電設備的短路、過載保護。
額定電壓 | AC690V |
額定電流 | 800A-1600A |
保護類別 | gG |
分斷能力 | 100kA |
參考標準 | GB/T 13539.2 IEC 60269-2 |
認證標志 | CCC |
適用條件

環境
1)溫度范圍工作溫度范圍:-5℃~+40℃
2)工作濕度范圍:≤50%(40℃時),≤90%(20℃時)。
3)海拔高度:≤2000m。
安裝
刀型觸頭熔斷體,需配套底座安裝。
存儲
熔斷體在儲存時,應防止雨雪的侵蝕,存放在空氣流通,空氣相對濕度(25℃時)不大于90%,溫度不高于40℃及不低于-30℃的倉庫中。
維護
1)定期清掃灰塵,檢查接觸點接觸情況。
2)維護檢查時,要按安全規程要求,切斷電源,不允許帶電取下熔斷體。
產品優勢

該系列熔斷器具有 800 A 至 1600 A的額定電流,提供出色的性能和可靠性。
該系列熔斷器完全符合 GB/T 13539.2 和 IEC 60269-2 標準
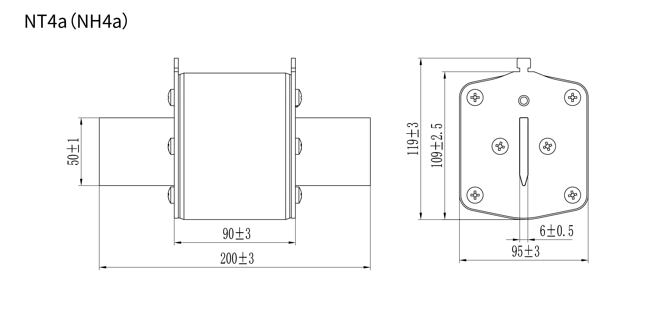
尺寸圖


文件下載

描述 | 下載 |
產品規格書 |
如果您有任何關于合作的報價或有任何查詢,請隨時給我們發電子郵件scb@grlele.com或使用下面的查詢表格。我們的銷售代表將在24小時內與您聯系。感謝您對我們產品感興趣。
我想購買NT4a(NH4a)